长安1.5T紧凑型SUV转向系设计(含CAD零件装配图,CATIA三维图)
来源:wenku7.com 资料编号:WK718839 资料等级:★★★★★ %E8%B5%84%E6%96%99%E7%BC%96%E5%8F%B7%EF%BC%9AWK718839
以下是资料介绍,如需要完整的请充值下载。
1.无需注册登录,支付后按照提示操作即可获取该资料.
2.资料以网页介绍的为准,下载后不会有水印.资料仅供学习参考之用. 密 保 惠 帮助
资料介绍
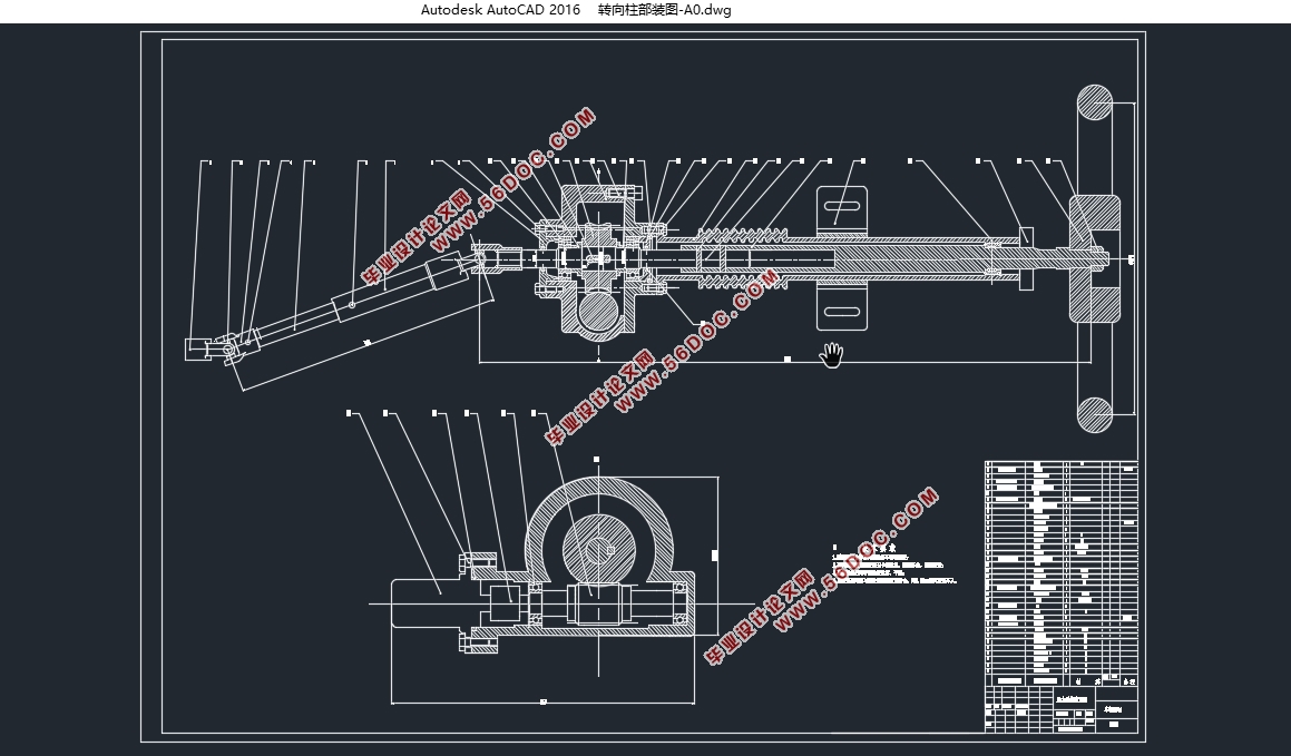
长安1.5T紧凑型SUV转向系设计(含CAD零件装配图,CATIA三维图)(任务书,开题报告,文献摘要,外文翻译,论文说明书11500字,CAD图7张,CATIA三维图)
摘要
本文的设计参考对象是长安CS75紧凑型SUV,最终目的是为了设计出电动助力式转向系统的机械结构部分。转向助力机构和转向机构是组成转向系统机械结构的两个最重要的部分,本文的转向助力机构选用转向轴助力式,将电动机的转矩增大后施加在转向轴上实现助力,转向机构采用齿轮齿条转向器将转轴的旋转运动变为转向拉杆的轴向运动。运用了汽车设计和机械设计等相关知识,选取合理的传动方式和整体布置方式,对汽车转向系统的传动参数进行了设计计算,并利用AUTO CAD、CATIA等计算机软件绘制零件图、装配图,最终设计出转向系统的机械部分。
基于CATIA、CAD辅助设计技术,将电动助力转向技术应用于汽车转向系统中,对汽车转向助力系统的设计开发具有一定的参考价值。
关键词:转向系统;EPS;减速器;转向器
Abstract
This paper takes Changan CS75 compact SUV as the research object, and finally designs a set of excellent electric power steering system. The utility model mainly comprises a power assisting mechanism and a steering mechanism. The power assisting mechanism transmits the torque outputted by the electric motor to the power assisting unit through the worm gear speed reduction mechanism, and the steering mechanism realizes the rotating motion of the rotating shaft through the rack and pinion steering gear. It becomes the horizontal movement of the steering lever. Using the relevant knowledge of automobile design and mechanical design, selecting reasonable transmission mode and overall layout, designing other parameters of the steering system of the car, and drawing the parts drawing and assembly drawing with computer software such as AUTO CAD and CATIA. The design of the mechanical transmission part of the entire steering system.
Based on CATIA and CAD-aided design technology, electric power steering technology is applied to automobile steering system, which has certain reference value for the design and development of automobile steering assist system.
Key Words:steering system; EPS; reducer; steering gear
主要内容包括以下3个部分:
(1)分析长安紧凑型SUV转向系的结构特点,对设计主题进行结构选型及总体方案设计;
(2)完成转向器的选型、转向梯形的设计和计算、转向器的设计计算以及对应的强度校核等内容,编写设计说明书;
(3)完成转向系的总装配图,部分零件图和分总成图的绘制







目录
摘要 Ⅰ
Abstract Ⅱ
第1章 绪 论 1
1.1汽车转向系统的概述 1
1.2汽车转向系统的设计要求 1
1.3电动助力转向系统研究的状况及发展趋势 2
1.4电动助力转向系统设计的目的和意义 2
1.5 设计的主要内容 3
第2章 电动助力转向系统主要参数的确定 4
2.1电动助力转向系统的分析与选型 4
2.1.1电动助力转向系统的工作原理 4
2.1.2电动助力转向系统的类型 4
2.2转向梯形设计 5
2.2.1 理想的左右转向轮转角关系 6
2.2.2 实际的左右转向轮转角关系 7
2.3 助力电动机的选择 8
2.3.1电动机的概述 9
2.3.2电动机的参数计算 9
第3章 电动助力转向系统减速机构参数的设计 11
3.1减速机构的分析及布置形式的确定 11
3.2蜗轮蜗杆材料的选择 11
3.3普通圆柱蜗杆传动的主要参数及几何尺寸计算 11
3.3.1蜗轮蜗杆减速器设计要求 11
3.3.2选择蜗杆传动类型 11
3.3.3蜗杆模数及分度圆直径的确定 12
3.3.4蜗杆与蜗轮的主要参数及几何尺寸的确定 13
第4章 减速机构轴和轴承的设计及校核 15
4.1蜗轮轴轴承的设计 15
4.1.1轴承的选取 15
4.1.2轴承的设计计算 15
4.2蜗轮轴的设计与校核 17
4.2.1蜗轮轴的设计 17
4.2.2蜗轮轴的校核 18
第5章 齿轮齿条式转向器的设计 23
5.1齿轮齿条式转向器的概述 23
5.2设计要求 23
5.3齿轮齿条设计与校核 23
5.3.1材料的选择 23
5.3.2计算许用应力 24
5.3.3按弯曲疲劳强度设计齿轮的基本参数 25
5.3.4确定齿轮齿条主要参数的几何尺寸 26
5.3.5齿轮强度校核 27
5.4齿轮轴设计与校核及轴承的选取 28
5.4.1齿轮轴轴承的选取 28
5.4.2齿轮轴的设计 30
5.4.3齿轮轴的校核 30
第6章 结论 34
参考文献 35
致 谢 36
|