基于单片机的电子舌设计(附程序清单,电路图,元器件清单)(任务书,开题报告,外文翻译,论文15000字,程序清单,电路图,元器件清单)
摘要
电子舌是一种由低选择性、非特异性交互敏感传感器阵列、信号调理电路、采集电路以及模式识别算法构成的一种现代化分析检测仪器,自20世纪80年代发展至今,它以安全、简便、快速等特点迅速在生物、环境、食品质量与安全等领域得到广泛应用,因此电子舌是目前研究的新热点之一。
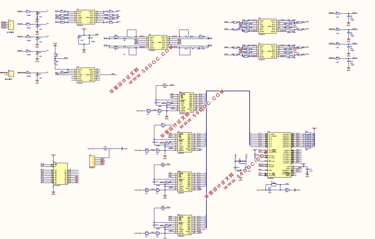
本文介绍了一种基于51单片机的电子舌系统,其识别原理是液体与传感器相接触,在传感器的敏感层上产生反应,将液体味道的化学信息转化为物理信息。并将这些物理信息转化成电信号输出,经由数据采集系统采集得到并传输至计算机中,将采集到的信号通过LCD显示并判断液体种类。该电子舌的硬件系统包括传感器电路、AD转换电路、传感器信号调理电路、单片机系统,软件部分主要有AD数据采集、数据排序。该电子舌具有识别液体中离子浓度、区分不同液体的功能。本文给出了该系统的完整硬件和软件设计方案,并实现了实物制作.该系统具有使用方便,成本低,检测性能好的特点,适用于需要区分不同溶液的场合。
关键词:电子舌;51单片机;离子选择电极;
Abstract
Electronic tongue is a kind of modern analytical instrumentation composed of low selectivity、nonspecific sensitive sensor array,signal conditioning circuit,sampling circuit and pattern recognition algorithm..It can be used to detect the flavor of dinfferent liquid food,and make this different information visualization. Since the 1980s development up to now,with the characteristics of safe,convenient and rapid,it is widely used in the biology,environment,food quality and safety fileds.So the electronic tongue is one of a hot spot in the present study.
This paper is introduced a kind of electronic tongue based on 51 single chip microcomputer system,the recognition principle is liquid sensor in contacted with the testes liquid, the sensor is sensitive to the reaction layer, and convert the liquid flavor of chemical information into physical information, then convert these physical information into electrical signal and output, through the data acquisition system to collect and transfer to the computer, the collected signal will display through the LCD . Hardware system of the electronic tongue is included the sensor circuit, AD conversion circuit, sensor signal conditioning circuit, single chip microcomputer system, the software part mainly has the AD data acquisition, data sorting. The electronic tongue has the function of identify the ion concentration in the liquid, distinguish between different liquids. This paper is given a complete hardware and software design scheme of the system, and implemented the physical production .The system is easy to use, low cost and good detection performance characteristics, is suitable for the occassions that need to distinguish different solution .
Key words: electronic tongue; 51 micro-controller; lon selective electrode.




目 录
摘要 I
Abstract II
第一章 绪论 1
1.1电子舌系统概述 1
1.2本设计研究的意义和目的 2
1.3电子舌的发展历史以及研究现状 2
1.4电子舌的发展趋势 3
第二章 电子舌系统整体设计 4
2.1电子舌工作原理-味觉机理 4
2.2方案对比与选择 5
2.3电子舌系统整体组成 5
2.4电子舌传感器 6
2.4.1多通道类脂膜味觉传感器 6
2.4.2伏安型金属传感器 7
2.4.3光寻址电位传感器 7
2.4.4离子选择电极 8
第三章 电子舌系统硬件设计 9
3.1系统整体硬件结构 9
3.2传感器阵列 9
3.3电极的选择 10
3.4信号调理电路设计 10
3.4.1滤波电路 11
3.4.2高共模抑制比放大电路 11
3.4.3信号调理电路整体电路 13
3.5 A/D转换电路 14
3.6 U2锁存器 15
3.7 单片机电路设计 16
3.7.1 AT89C51单片机系统 16
3.7.2单片机复位电路 18
3.7.3 晶振电路 19
3.7.4 单片机电源电路 20
3.7.5 LCD显示电路 20
3.7.6 ADC0804与单片机连接 21
第四章 电子舌系统软件部分 23
4.1 主程序 23
4.2 AD转换部分 24
4.3数据排序 25
第五章 硬件实物制作 27
5.1成本估算 27
5.2实物制作 27
5.2.1信号调理电路 27
5.2.2 AD转换电路 29
5.2.3 单片机电路 31
第六章 误差分析 33
第七章 总结与展望 34
参考文献 35
致谢 36
|