基于单片机的汽车电动门窗控制系统的设计(附电路原理图,程序清单)(论文18000字)
摘要
随着电子技术的飞速发展,越来越多的电子技术应用到了汽车之中,这些电子技术不仅方便了人们的操作,而且提高了汽车的舒适性。在过去的汽车控制系统中,普遍采用的是对汽车中部分机械部件进行控制的方法,控制行为比较简单,设备较为庞大,技术十分落后。如今利用电子技术,可以对汽车的各种性能进行更加合理控制,增强汽车的舒适性和安全性。现在大部分的高级轿车都已经系统性的装备了电动车窗系统,为了方便用户使用,这些汽车的电动车窗基本都是全自动的,但是这样的电动车窗却存在着卡死,挤压甚至伤人的风险。所以我们需要一套既能便捷控制车窗,又可以保证用户安全的电动门窗控制系统。
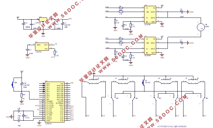
本设计方案,介绍了一种基于51单片机的汽车电动门窗控制系统,该控制系统采用AT89C51单片机作为控制核心,结合集成电机驱动芯片BTS7960,通过改变单片机IO口输出电平的高低,来控制电机的正转和反转,能够实现汽车车窗的点动控制,同时系统还能够根据按键的长按与短按,实现汽车电动车窗的一键升降。在车窗自动上升阶段,系统能够使用霍尔传感芯片判断车窗位置,结合集成驱动芯片的电流检测功能,判断是否有障碍物阻挡,能较好的实现防夹功能。
关键词:电动门窗51单片机 车窗防夹电机驱动
Abstract
With the rapid development of electronic technology, more and more electronic technology applied to the car, these electronic technology not only facilitate the operation of people, but also improve the comfort of the car. In the past car control system, commonly used in the car part of the mechanical parts of the control method, the control behavior is relatively simple, the equipment is relatively large, technology is very backward. Today, the use of electronic technology, the performance of the car can be more reasonable control, enhance the comfort and safety of the car. Now most of the high-class cars have been systematically equipped with a power window system, in order to facilitate the user to use, these cars are basically automatic power windows, but this is the existence of the power window stuck, squeeze Even the risk of injury. So we need a set of both easy to control the windows, but also to ensure the safety of users of the electric door and window control system.
This control system introduces a kind of automobile electric door and window control system based on 51 single chip microcomputer. The control system adopts AT89C51 single chip microcomputer as the control core, combined with the integrated motor drive chip BTS7960, by changing the output level of the single-chip IO port to control the motor Forward and reverse, to achieve the car window of the jog control, while the system can also press the button according to the long press and short press to achieve a car lift a key lift. In the window automatically rising stage, the system can use the Hall sensor chip to determine the window position, combined with the integrated driver chip current detection function to determine whether there are obstacles to block, can better achieve anti-folder function.
Key words:Electric doors and windows 51 single-chip windows anti-folder motor drive

目录
1 绪论 1
1.1研究背景及意义 1
1.2电动车窗技术国内外现状 2
1.3论文内容安排 3
2 汽车电动门窗控制系统总体方案设计 5
3 硬件电路设计 7
3.1硬件电路总体架构 7
3.2AT89C51最小系统 7
3.3 电压转换电路 10
3.4开关电路 11
3.5驱动电路及原理 12
3.6计数器电路 16
3.7本章小结 18
4 软件设计 19
4.1主程序 19
4.2按键检测与驱动 20
4.3过流中断子程序 21
4.4计数器子程序 23
4.5 本章小结 23
5 仿真与测试 24
5.1仿真电路介绍 24
5.2测试过程分析 24
5.3本章小结 25
6 总结 26
参考文献 27
致谢 28
附录A:电路原理图 29
附录B:程序清单 30
|