{$cfg_webname}
主页 > 电子信息 > 单片机 >

基于单片机的直流电机控制器的研究与设计

来源:wenku7.com  资料编号:WK716844 资料等级:★★★★★ %E8%B5%84%E6%96%99%E7%BC%96%E5%8F%B7%EF%BC%9AWK716844
以下是资料介绍,如需要完整的请充值下载。
1.无需注册登录,支付后按照提示操作即可获取该资料.
2.资料以网页介绍的为准,下载后不会有水印.资料仅供学习参考之用. 帮助
资料介绍

基于单片机的直流电机控制器的研究与设计(论文20000字)
摘要
本文在高尔夫球车的应用背景下,对基于单片机的直流电机控制器进行了研究与设计。首先介绍了高尔夫球车的背景、现状、面临的问题以及研究目标,接着介绍直流电机的选型以及全桥驱动电路和电流可逆斩波电路的原理,然后介绍直流电机的多种调速方式、脉宽调制方式的原理和PID控制器的原理及调试方法,接着对系统的硬件电路和软件设计的主要部分进行分析和介绍,最后对本文进行了总结。
本设计成功完成了基于单片机的直流电机控制器的硬件和软件设计,硬件部分包括单片机、驱动电路元器件和高尔夫球车部件的选型以及主控制电路、电机驱动电路图的绘制,软件部分包括程序设计以及PID控制器的调试。本设计采用霍尔传感器检测转速踏板信号和电机电流信号,采用编码器采集直流电机转速信息,STM32单片机对采集的信息进行综合处理,采用PID控制器进行控制,输出PWM波形,作为电机驱动信号,控制直流电机的转动。
本设计的特色:充分利用了再生制动方式提升系统性能。高尔夫球车电机采用他励直流电机,该电机的再生制动能力强,可减轻高尔夫球车的刹车负担;驱动电路采用电流可逆斩波电路,该电路具有再生制动功能,可以使高尔夫球车从斜坡上缓慢滑下,提升车辆的稳定性和安全性。再生制动可以为高尔夫球车提供良好的辅助制动功能,并且可以通过直流电机发电达到节约能源、提升车辆行驶里程的目的,使高尔夫球车具有高性能的制动和节能功能。
在本设计的实践过程中,本人掌握了电力电子技术的应用和直流电机的调速原理,学会了将计算机控制技术和数字调节技术相结合,掌握了实用电子设备的设计方法。

关键词:高尔夫球车;他励直流电机;再生制动;STM32单片机;PID控制器

Abstract
In this thesis, the research and design of the DC motor controller based on single chip microcomputer are carried out under the background of the application of golf cart. First introduced the background, current situation, problems and research objectives of the golf cart. Then introduce the DC motor selection and full-bridge drive circuit, the principle of current reversible chopper circuit. Then introduce a variety of DC motor speed control mode, pulse width modulation principle and PID control method. Then the main modules of the system hardware and software are analyzed and introduced. Finally, the design of the summary, and the follow-up development prospects.
The design successfully completed the DC motor controller hardware and software design. The hardware part includes the selection of single-chip, drive circuit components and golf cart parts, as well as the main control circuit, the motor drive circuit drawing diagram, the software part includes the program design and the PID controller debugging. The design uses the Hall sensor to detect the speed pedal signal and the motor current signal. The encoder adopts the DC motor speed signal, STM32 MCU to process the collected signal, adopt the PID controller to control and output the PWM waveform as the motor drive signal, control the rotation of the DC motor.
The design features: make full use of the regenerative braking system to improve system performance.The golf cart is equipped with a Separately excited DC machine, and the regenerative braking capability of the motor can reduce the burden of the golf cart. The drive circuit uses a current reversible chopper circuit, which has a regenerative braking function that allows the golf cart to slide slowly from the slope to enhance the stability and safety of the vehicle. Regenerative braking can provide a good auxiliary brake function for the golf cart, and can be achieved through the DC motor to save energy and enhance the purpose of vehicle mileage, the golf cart has high performance braking and energy saving function.
In the course of the design practice, I have mastered the application of power electronics technology and the principle of DC motor speed control, learned the combination of computer control technology and digital adjustment technology, mastered the design of practical electronic equipment.

Keywords:Golf carts;Separately excited DC machine;Regenerative braking;STM32 MCU;PID controller
 

基于单片机的直流电机控制器的研究与设计


目录
第1章绪论    1
1.1课题背景以及选题意义    1
1.2国内外研究现状    2
1.3目前存在的问题    3
1.4研究的内容及目标    3
第2章设计方案的比较与选择    5
2.1直流电机的比较与选择    5
2.2驱动电路的设计与比较    5
2.3功率开关元件的比较与选择    7
2.4驱动芯片的比较与选择    8
2.5单片机的比较与选择    9
第2章直流电机基本控制理论    10
3.1直流电机的基本原理    10
3.2直流电机的调速方法    10
3.2.1改变电枢回路电阻来调速    10
3.2.2改变电枢电压调速    11
3.2.3改变励磁电流调速    11
3.3直流电机PWM调速原理    11
3.4PID调速的原理与整定方法    12
3.4.1PID控制器的基本原理    12
3.4.2PID控制器的参数整定方法    14
第4章硬件部分设计    15
4.1硬件电路框图    15
4.2高尔夫球车硬件元件介绍    16
4.2.1钥匙开关的选择    16
4.2.2直流接触器的选择    16
4.2.3油门踏板的选择    17
4.2.4熔断器的选择    19
4.3高尔夫球车硬件电路介绍    19
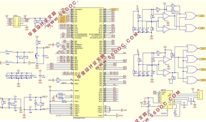
4.3.1主控制电路设计    20
4.3.2驱动电路设计    20
4.3.2.1PWM输出波形电路设计    21
4.3.2.2全桥驱动电路设计    22
4.3.2.3电流可逆斩波电路设计    22
4.3.3RS-232电路    23
4.3.4转速踏板检测电路设计    24
4.3.5过电流检测电路设计    24
第5章软件部分设计    26
5.1软件设计框图    26
5.2A/D采样程序设计    28
5.3电机控制程序设计    28
第6章总结与展望    30
6.1全文设计总结    30
6.2后续设计工作展望    30
致谢    32
参考文献    33
附录A    34

推荐资料