基于单片机的工频电参数测量仪的设计(电路原理图,程序清单)(论文17000字)
摘要
工频电参数的测量在工业控制、电力系统、电气测量以及各种机电一体化装置中都具有重要意义。本次毕业论文的要求是基于单片机技术设计一种用于测量三相工频电参数的系统,使其能够实现对三相电流、电压、频率、相位、有功功率、无功功率以及电能的测量,同时可以判断负载的种类(容性、感性或纯电阻性)。
通过对目前市场上已经存在的工频电参数的多种测量方法和测量原理进行综合分析和比较后,最终确定了一种基于单片机和计量芯片ADE7758的设计方法。本系统的硬件电路包括电压、电流信号采集与调理模块,计量芯片模块、单片机模块和LCD显示模块。优点在于简化电路,并且采用了高性能、高精确度的电能计量芯片ADE7758来替代传统的复杂电路进行测量,降低设计了成本。系统的软件设计部分包括计量芯片模块程序,单片机控制程序,串口通信程序,以及LCD显示程序,然后对测量数据进行校准和误差分析。
最后经过软硬件调试,本文的设计初步达到了预期的效果,实现了多种工频电参数的测量。该系统成本低,功能多,经过进一步的改进后会达到更好的测量效果。
关键词:电参数测量;单片机;计量芯片;LCD
Abstract
The measurement of electrical parameters is of great significance in industrial control, power system, electrical measurement and various mechanotronics devices. This paper designs a measuring system for measuring three-phase electric parameter based on microcomputer technology, which can realize the measurement of three-phase current, voltage, frequency, phase, active power, reactive power and electric energy, and can also judge the type of load(capacitive, inductive or purely resistive).
In this paper, a design method based on microcomputer and metering chip ADE7758 is determined through analyzing and comparing various measurement methods and measurement principles of power frequency parameters existing in the market. The hardware circuit includes voltage and current signal acquisition and conditioning module, microcomputer module and LCD display module. The advantage is to simplify the circuit, using a high-performance and high precision energy chip to replace the traditional circuit for measurement, reduce costs. The software design part of the system includemetering chip module program, single chip microcomputer control program, serial communication program and LCD display program, then correct and analysis the measured data.
Finally, through the hardware and software debugging, the design of this paper has achieved the expected results, and achieved a variety of measurement of electrical parameters. The system has low cost and more functions, and can achieve better measurement effect after further improvement.
Key Words:the measurement of electrical parameters; microcomputer; metering chip; LCD

目录
第1章绪论 1
1.1 课题的背景、目的及意义 1
1.2 国内外研究现状 1
1.2.1 国外电能表的发展概况 1
1.2.2 国内电能表的发展概况 2
1.3 课题的研究内容及预期目标 2
第2章设计方案的确定与测量原理 3
2.1 设计方案的选择与比较 3
2.2 电参数测量的基本理论 3
第3章系统硬件设计 5
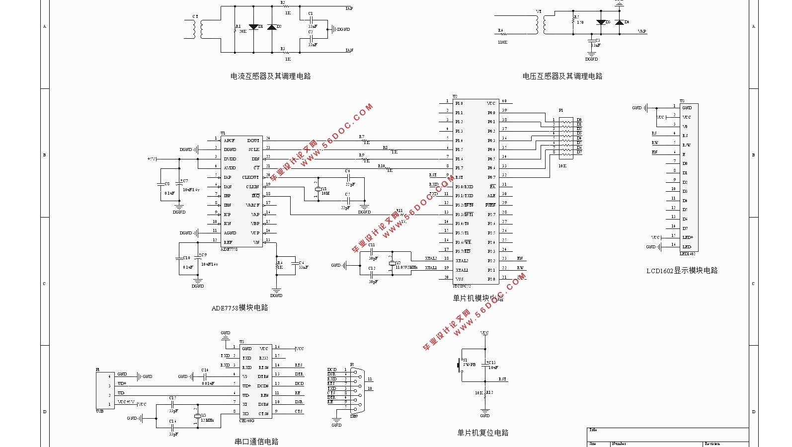
3.1 硬件电路的总体设计 5
3.2 互感器及信号调理模块 5
3.2.1 电流互感器及其调理电路 6
3.2.2 电压互感器及其调理电路 7
3.3 电能计量模块 9
3.3.1 计量芯片的选型 9
3.3.2 ADE7758的引脚功能 10
3.3.3 ADE7758的内部结构及工作原理 11
3.3.4 ADE7758的外围电路设计 13
3.4 单片机控制模块 14
3.4.1 STC89C52简介 14
3.4.2 STC89C52的外围电路 15
3.4.3 串口通讯模块 16
3.5 显示模块 17
第4章系统软件设计 19
4.1 系统软件的总体设计 19
4.2 ADE7758模块软件设计 19
4.2.1 ADE7758读写及串口初始化 19
4.2.2 电参数的测量与校准 22
4.3 单片机部分软件设计 23
4.4 数据显示部分软件设计 24
4.5 串口通信部分软件设计 24
第5章系统调试与分析 26
5.1 硬件调试 26
5.2 软件调试 27
5.3 测试结果与误差分析 28
第6章总结与展望 31
参考文献 33
附录A 电路原理图 35
附录B 程序清单 36
致谢 49
|