基于单片机的汽车尾气检测系统设计(附总电路图,程序清单)(论文13000字)
摘要
近年来汽车尾气带来的污染问题越来越严重,对于这个问题的解决成了非常重要的问题。在目前情况下解决尾气污染的最好方法就是严格、及时的对尾气进行检测,对于排放尾气超标的汽车及时进行处理,而要实现这一点最重要的就是要有一个实时、准确的汽车尾气检测系统。
本文基于车载尾气检测技术,设计了一个汽车尾气检测系统,采用了51系列单片机芯片和MQ系列传感器,还包含声光报警模块、LCD显示模块、按键修改报警值模块和蓝牙传输模块。本文完成了硬件电路的设计和焊接、相关功能的软件编写和调试工作以及最后对整个检测系统的实验测试工作,最终可以完成所设计的相应功能。本文设计的检测系统精度不高,用的也是一些基本的元件模块,这是因为笔者的知识水平有限,希望更多的人能投入这方面的研究当中,尽早的解决汽车尾气污染的问题,为人类带来一个良好的生活环境。
关键词: 单片机 汽车尾气 测量 蓝牙传输
Abstract
In recent years, the pollution problem caused by automobile exhaust gas has become more and more serious, and the solution to this problem has become a very important problem. In the current circumstances to solve the best way to solve the exhaust pollution is strict and timely detection of the exhaust gas, exhaust emissions for the vehicle in a timely manner to deal with, and to achieve this is the most important thing is to have a real-time, accurate vehicle exhaust detection system.
Based on the vehicle exhaust gas detection technology, this paper designs a vehicle exhaust detection system based on single chip microcomputer. It adopts 51 series single chip microcomputer and MQ series sensor. It also includes sound and light alarm module, lcd display module, key change alarm module and Bluetooth transmission module. This paper completes the hardware circuit design and welding, the relevant functions of the software preparation and debugging work and the final test system of the entire test work, and ultimately can complete the design of the corresponding function. In this paper, the design of the detection system is not high accuracy, with some simple component module, which is because the author's knowledge level is limited, hope that more people can put this in the study, as soon as possible to solve the problem of automobile exhaust pollution Mankind brings a good living environment.
Key word:Single chip;Automobile exhaust;measuring;Bluetooth transmission


目录
摘要 I
Abstract II
目录 III
第一章绪论 1
1.1课题背景及研究的目的 1
1.2国内外研究现状 1
1.3本课题研究的内容 2
第二章系统总体设计 3
2.1检测方案的选择 3
2.2系统功能的设计 3
2.3系统方案设计 4
2.4本章小结 5
第三章系统硬件电路设计 6
3.1单片机部分的设计 6
3.1.1 芯片的介绍 6
3.1.2下载电路 6
3.1.3 单片机最小系统的设计 7
3.2传感器的选择 8
3.3 A/D转换电路的设计 11
3.4报警及按键修改模块的设计 13
3.4.1 报警模块的设计 13
3.4.2 按键修改模块的设计 13
3.5 LCD显示模块的设计 14
3.6蓝牙模块的设计及实物图 15
3.7本章小结 17
第四章系统软件部分设计 18
4.1功能设计 18
4.2程序的编写、测试及流程图 19
4.3本章小结 21
第五章系统功能测试与结果分析 22
5.1功能测试 22
5.2结果分析 27
第六章总结与展望 28
6.1总结 28
6.2展望 28
参考文献 29
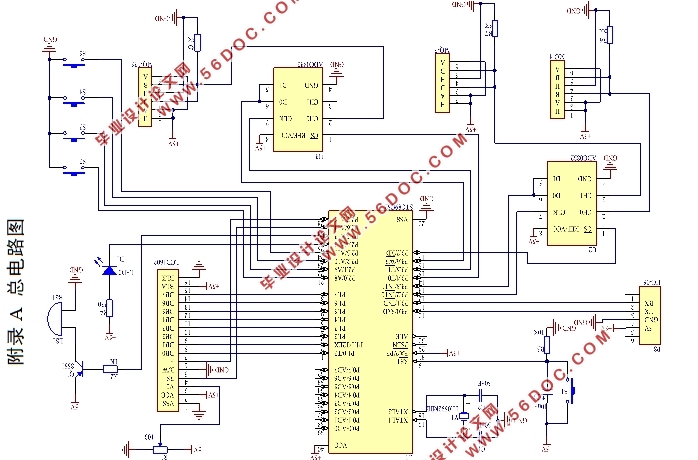
附录A 总电路图 30
附录B 程序清单 31
致谢 45
|