基于单片机的远程仓库温度监测系统设计(附电路原理图,元件清单)(任务书,开题报告,外文翻译,论文13000字)
摘要
本文设计了一个基于单片机的远程仓库温度监测系统,系统分为两个部分,一个主机一个从机,主机放在工作人员的办公室,从机放在仓库。本设计使用的控制单元为STC89C52,无线传输数据芯片为NRF24L01,温度传感芯片为DS18B20,显示温度的液晶为LCD1602。从机部分,通过STC89C52控制温度传感芯片DS18B20读取到温度,然后将读取到的二进制温度数据通过NRF24L01传输出去;主机部分,STC89C52通过控制NRF24L01接收温度数据,并将温度数据转换为十进制数(小数点后保留一位),再在LCD1602液晶上显示出来。
本设计实现了使用单+5V电源对系统进行供电,系统每1秒自动监测一次温度并把温度通过无线传输后再在液晶上同时把3个温度数据直观的呈现给使用者。本设计实现对-50℃~120℃宽温度范围的温度监测,且在此温度范围内测量结果误差小于±0.5℃,稳定的无线传输实现室外不低于30米室内不低于10米,能实现对仓库3点的固、液、气等状态物的温度监测。
关键词:STC89C52单片机;DS18B20传感器;NRF24L01无线传输;LCD1602液晶显示
Abstract
This paper designs a remote warehouse based on the single-chip temperature monitoring system, the system is divided into two parts, a host a slave, the host on the staff of the office, from the machine in the warehouse. The design of the control unit used for the STC89C52, wireless transmission data chip NRF24L01, temperature sensor chip for the DS18B20, the display temperature of the LCD LCD1602. Slave part, through the STC89C52 control temperature sensor chip DS18B20 read to the temperature, and then read the binary temperature data transmitted through the NRF24L01; host part, STC89C52 by controlling the NRF24L01 receive temperature data, and the temperature data into decimal (One after the decimal point), and then displayed on the LCD1602 LCD.
The design of the use of a single +5 V power supply to the system power supply, the system automatically monitor the temperature once every 1 second and the temperature through the wireless transmission and then on the LCD at the same time the three temperature data presented to the user intuitively. The design to achieve the temperature range of -50 ℃ ~ 120 ℃ wide temperature monitoring, and in this temperature range measurement error is less than ± 0.5 ℃, stable wireless transmission to achieve outdoor not less than 30 meters indoor not less than 10 meters, can To achieve the warehouse 3 points of solid, liquid, gas and other state of the temperature monitoring.
Keywords:STC89C52 microcontroller; DS18B20 sensor; NRF24L01 wireless transmission; LCD1602 liquid crystal display



目 录
摘要 I
Abstract II
第1章 绪论 1
1.1 研究背景与意义 1
1.2 国内外研究动态 1
1.3 本设计的主要研究内容与性能要求 2
1.4 本论文结构 3
第2章设计方案的选择与论证 4
2.1 本设计的需求分析 4
2.2 总控制芯片方案选择与论证 4
2.3 温度采集方案选择与论证 5
2.4 无线传输方案选择与论证 5
2.5 温度数值显示方案选择与论证 6
2.6 恒流源电源方案选择与论证 6
2.7 本章小结 7
第3章系统硬件设计 8
3.1 系统硬件概述 8
3.2 单片机最小系统设计 8
3.3 串行口通信电平转换设计 9
3.4 电源设计 10
3.5 温度采集设计 11
3.6 无线传输设计 12
3.7 液晶显示设计 12
3.8 本章小结 13
第4章系统程序设计 14
4.1 软件系统概述 14
4.2 LCD1602液晶显示程序设计 15
4.3 NRF24L01无线传输程序设计 17
4.4 DS18B20温度检测程序设计 19
4.5 本章小结 21
第5章总结与展望 22
5.1 总结 22
5.2 展望 22
参考文献 23
附录 24
附录A 系统实物图 24
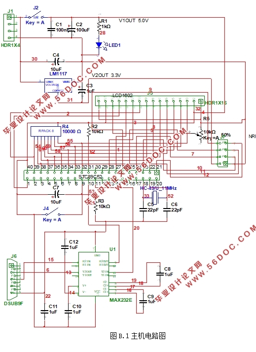
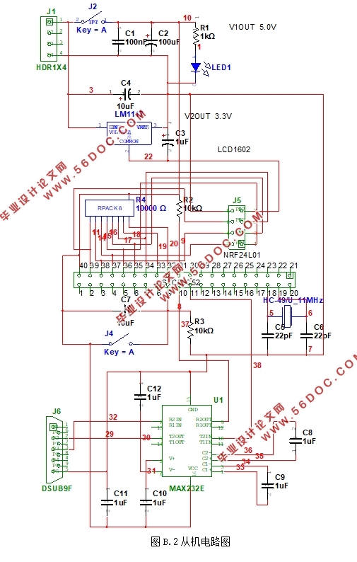
附录B 系统电路原理图 25
附录C 元件清单 27
致谢 28
|